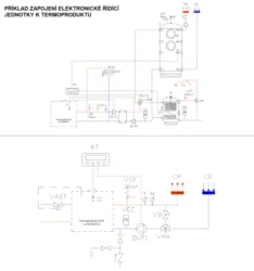
Elektronická řídící jednotka termoproduktů

  • Elektronická řídící jednotka pro ovládání termoproduktů
  • Lze ovládat až 2 oběhová čerpadla
  • Lze připojit až 3 teplotní čidla
  • Lze ovládat třícestný ventil
  • Digitální displej
  • Akustická signalizace v případě přetápění
  • V ceně jedno teplotní čidlo
  • Určené pro instalaci na stěnu

 

Přidat do porovnání
Dotaz na produkt
Kategorie:
CeníkCena bez DPHCena včetně DPH
Elektronická řídící jednotka termoproduktů 4 314 Kč 5 220 Kč

Další informace

Typ produktupříslušenství
Palivodřevo (ekobrikety)